Як все починалось
Ідея зробити власний ламповий підсилювач з’явилася ще в студентські роки. Ми тоді з друзями годинами сиділи в лабораторії, обговорюючи, чому старі лампові підсилювачі звучать "живіше", ніж будь-який сучасний транзисторний апарат.
Цей проект став частиною моєї дипломної роботи, але насправді - це було щось більше, ніж просто "технічне завдання". Це була спроба доторкнутися до історії, до тієї епохи, коли звук ще пахнув озоном і нагрітою слюдою.
Трохи історії
Перші електронні лампи з’явились ще на початку ХХ століття. Саме вони дали світу радіо, перші телевізори й комп’ютери. Усередині лампи - вакуум, катод, анод і керуюча сітка. Коли катод нагрівається, електрони випаровуються з його поверхні (термоемісія) і прямують до анода.
Якщо між ними вставити сітку з невеликою напругою, можна керувати потоком електронів - саме так народжується підсилення. Це дивовижна простота, яка пережила десятиліття.
Як працює ламповий підсилювач
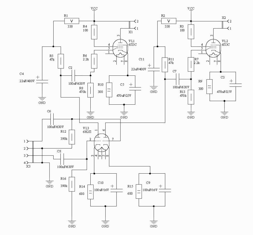
Основою підсилювача є класична двокаскадна схема:
- перший каскад — підсилювач напруги на лампі 6Н2П,
- другий — вихідний каскад потужності на 6П3С.
Анодна напруга становить близько +300 В, а накал живиться від окремої обмотки трансформатора на 6.3 В.
Сигнал із вхідного роз’єму (гітара, мікрофон, смартфон) проходить через конденсатор C6, C8, потрапляє на сітку першої лампи 6Н2П, де перетворюється на пульсації електронів - малесенькі хмари заряду, які долають шлях крізь вакуум. Цей рух - і є та сама термоемісія, той магічний момент, коли розігрітий катод випускає електрони в простір.
У другому каскаді лампа 6П3С перетворює вже посилений сигнал у достатньо потужний струм, щоб розкачати динамік. Вихідний трансформатор TV1 узгоджує високий опір лампи (кілька кОм) із низькоомним динаміком 4 Ом.

Там, де транзистор просто «перемикає» струм, лампа малює хвилю, дихає з нею, повторює найдрібніші нюанси. Саме тому кажуть, що лампа не просто підсилює звук — вона його інтерпретує.
Живлення
Жодна лампа не заговорить, поки її катод холодний. А щоб він розігрівся, і щоб анод отримав свій високий потенціал, потрібне серце — блок живлення. Саме він оживляє всю схему, наповнюючи її енергією.
На схемі видно:
- X3 - вхід змінної напруги від вторинної обмотки силового трансформатора (приблизно 220 В змінного струму для анодної частини).
- KBU1 — діодний міст, що випрямляє змінну напругу.
- C1 - фільтруючий електролітичний конденсатор 100 мкФ × 400 В, який згладжує пульсації після випрямлення.
- X4 — вихід до підсилювача:
- виводи 3–4 - це +300 В (анодна шина),
- виводи 1–2 - накал (≈ 6,3 В змінного струму).
- R17 і R18 (по 110 Ω) створюють віртуальну середню точку для розжарення, забезпечуючи симетрію відносно землі.
Трансформатор знижує мережеву напругу 220 В до потрібних рівнів:
близько 250–260 В AC для анодного живлення (після випрямлення це ≈ 300–310 В DC), 6.3 В AC для накалу. Діодний міст KBU1 перетворює змінну анодну напругу на пульсуючу постійну. Конденсатор C1 заряджається до пікового значення і згладжує пульсації, утворюючи стабільне постійне живлення. Під час роботи він заряджається і розряджається 100 разів на секунду (при частоті мережі 50 Гц), підтримуючи рівний потік електронів у анодні кола ламп. Резистори R17 і R18 створюють "віртуальний нуль" для накалу. Це важливо, щоб зменшити фон 50 Гц - небажаний гул, який інакше потрапив би в аудіотракт. По суті, вони ділять змінну напругу навпіл, і середня точка через них під’єднується до землі (GND). Таким чином, обидва кінці ниток коливаються симетрично щодо нуля, і паразитні поля компенсуються.
Від навісного монтажу до плати
Перший варіант ми з друзями зібрали старим способом - навісним монтажем. Прямо на шматку фанери. Пучки дротів, паяльник у руках, запах каніфолі у повітрі. Здавалося, що весь стіл живе своїм життям: тут гуде трансформатор, там світиться катод, а ми з напругою чекаємо першого звуку. Шкода, фоток не збереглось. Але вдруге збиралось все на тій самій фанерці.

Після перших успішних тестів взялись за розробку друкованої плати. Хотілося зробити все акуратно, продумано - щоб мінімізувати фоновий шум, правильно розвести маси й відстані між сигнальними доріжками (не все вдалось як хотілось).
Якраз в інституті вчились працювати в Altium Designer. По схемі була спроектована плата. Власне, ми готували цей проект як "бізнес". Ідея була в тому, щоб максимально спростити збірку підсилювача людині без досвіду. І це було в часи коли не існувало JLCPCB, тому плату в матеріалі замовляли на якомусь заводі тиражем 10-20 шт. Власне, знайшовши друковану плату в шафі і було трігером того, що вирішив знов повторити проект.


Корпус
Далі настав час перенести все в корпус. В першій версії корпус був зроблений із комп'ютерного блоку живлення і якогось телевізійного декодера. Фотографій, нажаль, не збереглось. Але є відео!
Але "на кресленні" корпус був з листової сталі покритий чорною порошковою фарбою. В студентські роки такого дозволити собі ми не могли. Але в другій версії, звісно, корпус став як має бути. Правда, залишилось багато "помилок", довгі дроти і т.д. Взагалі дійсно, подібні підсилювачі потрібно будувати навісним монтажем, але що маємо.


Magic eyes - індикаторні лампи
Коли підсилювач оживає, перше, що привертає увагу - це зеленкувате світіння індикаторних ламп 6Е1П. Наче живі очі апарату, що пульсують у такт музиці, відображаючи її динаміку.
На схемі ці лампи працюють у ролі індикатора рівня сигналу - класичний вузол, що колись прикрашав фронтальні панелі приймачів і магнітофонів. У центрі - VL1 і VL2 (6Е1П), по одній на канал. Вони реагують на зміну амплітуди сигналу, утворюючи характерне світлове "віяло", яке змикається при високому рівні гучності.
Логіка роботи схеми проста, але водночас вишукана:
На сітку лампи подається частина сигналу з виходу підсилювача через резистори R3–R6 та конденсатори C2–C5, які формують необхідну часову характеристику. Діоди D1 та D2 випрямляють змінну складову, перетворюючи її на постійну напругу, що керує яскравістю люмінесцентного сектора. Живлення ламп забезпечується з тієї ж високовольтної шини (+VCC), стабілізоване фільтруючим конденсатором C1 і діодним мостом D3, розміщеним у блоці живлення. Результат - плавна, "жива" індикація, яка не просто показує рівень, а створює атмосферу. Коли грає музика, світло ламп коливається, відбиваючи найдрібніші нюанси динаміки — це справжній аналоговий балет електронів. Це не просто показник - це символ епохи, коли звук ще мав обличчя, і це обличчя світилось люмінофором під вакуумним склом.
Fiat lux - хай буде світло!
Трансформатори
Жоден ламповий підсилювач не звучить без своїх трансформаторів.
У моїй конструкції роль силового взяв на себе ТАН-43, а вихідний — ТВЗ-1-9. Це не ідеальний, але цілком гідний дует, який дозволяє лампам заговорити голосом, сповненим тепла.
ТАН-43 - класичний радянський трансформатор живлення, який колись постачав струм десяткам побутових радіоприймачів. Його вторинні обмотки якраз підходять для живлення лампових схем: одна - на 6.3 В для накалу, інша - підвищена, з можливістю отримати близько 250–270 В анодної напруги після випрямлення. Трохи шуму, трохи пульсацій - але все це додає характеру, як шерех платівки на програвачі.
ТВЗ-1-9 - типовий вихідний трансформатор, який зустрічався у старих підсилювачах і телевізорах. Його частотний діапазон не бездоганний, але для однотактної схеми на 6П3С він звучить напрочуд приємно.
Так, низ трохи підрізається, а верх - м’який, не дзвенить. Зате середина - жива, тепла, справжня. Саме той "ламповий тембр", за який люди і сьогодні закохуються у старі технології.
Можна було б замінити їх на щось сучасне - розраховане, намотане вручну, з ідеальною лінійністю. Але тоді зникла б магія. А так - кожен трансформатор тут не просто деталь, а частинка історії. Коли вмикаєш підсилювач, вони легенько гудуть, нагадуючи, що електрика ще тепла, жива.
Слух - найкращий прилад
Можна виміряти амплітуду, гармоніки, шум - але найточніший прилад для оцінки лампового підсилювача все одно залишається пара вух.
Добрий ламповий підсилювач має звучати "повно", навіть на тихій гучності. Якщо звук здається плоским - спробуй інші лампи. Навіть два екземпляри однієї моделі можуть звучати по-різному через відмінності у внутрішній геометрії.
І трішки філософії
Коли працюєш із лампами, розумієш: це не просто радіодеталі. Це частинки історії зі своїм темпераментом. Вони гріються, світяться, старіють. Їм потрібна повага і терпіння. Але якщо ти навчишся з ними ладнати - вони віддячать звуком, який не сплутаєш ні з чим.
Ламповий підсилювач - це не просто техніка. Це діалог між електроном і музикантом, між теплом і звуком.